
病房门

产品特点:
①可选配电机和感应装置,实现自动开启和闭合。
②门框采用独有的单、双槽一体式气密结构,满足各种环境下的不同需求。门框结构采用独特的设计,可针对不同厚度墙体进行调整。
③门板、门框材质为环保镀锌板,表面静电喷涂,抗污、绿色环保。
④具有保温、隔声、防潮、便于清洗等优点。
⑤门扇边缘单缝密拼,减少滋生细菌,可根据客户需求定制不同形状的视窗。
⑥适用于储物间、医生办公室、急诊室、输液室等。
⑦开启速度快、平稳。特别适用于洁净室物流、人流出入频繁的道口,能迅速隔绝洁净室内外气流,保持洁净室内空气洁净度。平开病房门、诊疗室门等提升患者、家属和医护人员的舒适感,营造安静的环境、提升医疗体验,满足特殊病床的通过需求,可轻松应对改造项目中建筑设计的缺陷。


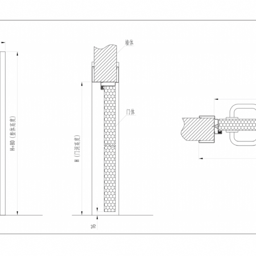
结构示图:

病房门的产品特点和结构组成介绍 2022-11-25 15:05:47 本文被阅读 948 次
| 上一条:小雪映万物 天地今始白 | 荷净净化 | 下一条:净化工程,选材为先|优 质净化板,才是洁净空间的核心根基 |










